Wkręty samowiercące
Sprawdź cenę i dostępność w Twojej okolicy
Znajdź najbliższy sklep i kup produkt z możliwością dostawy
Kolorowa poliestrowa powłoka zabezpieczająca o grubości 45-50 um (RAL, NCS, RR), spełnia rolę dodatkowej ochrony antykorozyjnej. Idealnie dopasowuje się do koloru poszycia blaszanego. Posiada stabilizatory UV, które gwarantują niezmienność koloru przez długi okres użytkowania. Gwint utwardzony powierzchniowo (trzpień zachowuje elastyczność). Zabezpieczony przed korozją warstwą ocynku o grubości nie mniejszej niż 12 um. Kształt gwintu oraz jego wysokość jest ściśle powiązany z przeznaczeniem łacznika samowiercącego mocowania blach profilowanych do konstrukcji stalowej. Specjalny agresywny kształt wiertła zaprojektowany tak aby zapewnić szybki i bezproblemowy montaż w podłożu stalowym. Za jego pomocą podczas jednego cyklu roboczego wykonujemy: wiercenie, formowanie gwintu oraz mocowanie elementów poniędzy sobą. Ostre zakończenie wiertła zapobiega przemieszczaniu się po powierzchni elementu mocowanego.
Do czego przyda Ci się ten produkt?
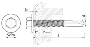
Specyfikacja
Średnica [mm]
5,5
Rozmiar łba [mm]
8
Długość [mm]
32/38
Maxymalna grubość wiercenia [mm]
12
Minimalna grubość podłoża [mm]
4
Ilość w opakowaniu [szt.]
100
Opinie klientów (0) Dodaj opinię
Dodaj pierwszą opinię o tym produkcie!
Dodaj opinię o produkcie
Wkręty samowiercące Koelner ONP Ø 5,5 mm


